O FIRMIE

  Opis
  Certyfikacje i badania
  Wybrane realizacje

PRODUKTY

  Zbiorniki
  Przekrycia
  Koryta
  Biofiltry
  Piaskowniki
  Obudowy studzienne

USŁUGI

  Projektowanie konstrukcji i urządzeń
  Montaże technologiczne

REFERENCJE
PROGRAMY
KONTAKT

APSEL

ul. Kopytowska 19
Święcice
05-860 Płochocin

tel/fax (22) 722 51 34
(22) 752 55 85
(22) 752 55 87

apsel@apsel.com.pl


OŚ Jelenia Góra - 2006 r.

Przekrycie zagęszczacza ø12m - ocieplone.


OŚ Tomaszów Lubelski - 2006r

Stacja dozowania PIX-u ze zbiornikiem dwupłaszczowym ø2.5m, V=10m³.


GOŚ Łódź - 2006 r.

Biofiltr BIOAP 900 Q=1000m³.
Przekrycie zagęszczacza ø14m.


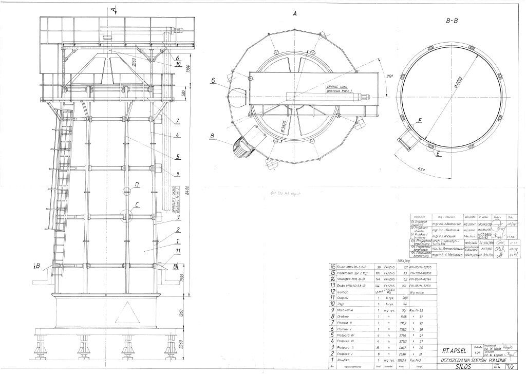
OŚ Warszawa Południe - 2005 r.

Silos na wysuszony osad ø4m, V=120m³ wraz z instalacją azotowania.


OŚ Skarżysko Kamienna - 2004 r.

Pokrywa zbiornika osadu ø3m z filtrem biologicznym.


przejście graniczne Kuźnica Białostocka - 2004r

Zbiorniki dwupłaszczowe ø0.6m, V=0.26m³ na paliwa płynne.


OŚ Piekoszów - 2001 r.

Piaskownik napowietrzany z tłuszczownikiem ø14m.


OŚ Bukowa - 2000 r.

Mieszalnik wapna z dozownikiem.


Państwowy Instytut Geologiczny - 2000 r.

Pokrywa studni ø14m.


OŚ Pruszków - 2000 r.

Przekrycie zagęszczacza ø14m.


OŚ Drzewica - 1999 r.

Koryto przelewowe 300x300 z rurkami przelewowymi ø14m.


Polfa Tarchomin - 1998 r.

Przekrycie zbiorników 6m x 30m.


OŚ Warszawa Południe - 1998 r.

Opracowanie projektów przekrycia na zbiornikach:
- reaktorów biologicznych
- osadników wstępnych
- komory zasów
Opracowanie projektu silosu na wysuszony osad
z płaszczem z TWS


OŚ Piaseczno - 1997 r.

Przekrycie zbiornika w punkcie zlewnym 24m x 20m.


Pompownia Nowodwory - 1996 r.

Pokrywy luków.


OŚ Hajdów - 1994 r.

Przekrycie komory zwężek 9m x 5m.
Opracowanie projektu przekrycia zagęszczacza ø21m.